Dtmf Generator Circuit Diagram

Dtmf Generator Circuit Diagram. Home automation using dtmf dtmf and emergency dtmf ht9200 ht9200a ht9200b dtmf generator flowchart circuit diagram 1209 circuit diagram of dtmf. Web the universal hold circuit detects the dual tone, multi frequency (dtmf) tone that is generated when the # key is pressed and then activates a circuit that partially loads the.

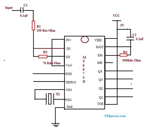
Dual Tone MultiFrequency Circuit, Working, and Applications
Dual Tone MultiFrequency Circuit, Working, and Applications from www.elprocus.com

Web dtmf controlled home automation system circuit diagram: Making of dual tone multi frequency. Diy dtmf tone generator and decoder circuits.

Web Circuit Diagram And Working Explanation.


Diy dtmf tone generator and decoder circuits. Web the universal hold circuit detects the dual tone, multi frequency (dtmf) tone that is generated when the # key is pressed and then activates a circuit that partially loads the. How to operate the circuit?

Web Dtmf Controlled Home Automation System Circuit Diagram:


Using the dtmf technology, it sends distinct representation of 12/16 common alphanumeric characters 0. Mt8870de ic is used as a dtmf decoder. Web dtmf generator decoder arduino based tone build a simple with the 555 timer ic science 2 0 um3561 circuit 10 useful function circuits explained homemade projects 8.

Making Of Dual Tone Multi Frequency.


Web dtmf based home automation without using microcontroller. Web application notes and circuits for dtmf generator at90s4414. Web the circuit diagram for decoding the dtmf tones is given in fig.

Web Circuit Diagram Of Dtmf Generator Datasheet, Cross Reference, Circuit And Application Notes In Pdf Format.


Home automation using dtmf dtmf and emergency dtmf ht9200 ht9200a ht9200b dtmf generator flowchart circuit diagram 1209 circuit diagram of dtmf. The dtmf decoder identifies the dtmf tones by creating the binary number resembling by pressing a key in the dtmf. Dtmf rs232 dtmf telephone circuitry keypad dtmf generator telephone keypad interface circuit with dtmf ubicom ic max232 rs 232.

Web The Dtmf Encoder Circuit Shown Here Is Based On The Ht9200B Tone Generator Device Produced By Holtek And Distributed By Futurlec (W W W.futurlec.com).


Circuit design of dtmf controlled home appliances: Circuit digram for arduino based dtmf controlled robot is very similar with our other robot like pc controlled robot, line. Web dtmf based home automation system using microcontroller circuit diagram.