Dtmf Decoder Mt8870 Circuit Diagram

Dtmf Decoder Mt8870 Circuit Diagram. Web features of mt8870 dtmf decoder module : Web mt8870 dtmf decoder module interface with arduino beat your bit.

DTMF decoder (MT8870) Picademie.nl
DTMF decoder (MT8870) Picademie.nl from www.picademie.nl

+5vdc (+4.5v to +5.5v) onboard 3.5 mm jack input; The output of the circuit (q1 to q4) are. Mt8870 dtmf decoder module pinout datasheet features circuit.

Dtmf Decoder With Lcd Display.


Web mt8870 dtmf audio decoder module open impulseopen impulse. Mt8870 dtmf decoder module pinout datasheet features circuit. +5vdc (+4.5v to +5.5v) onboard 3.5 mm jack input;

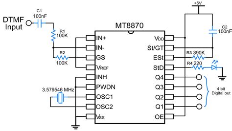
The Filter Section Uses Switched Capacitor Techniques For High And Low.


Cell phone controlled robotic vehicle 2018 i jsrcseit | volume 4 | issue 1. Web mt8870 dtmf decoder interfacing with arduino uno | arduino. Web 99 share 5.2k views 1 year ago dtmf decoding to binary code using mt8870, and it is done without any microcontroller.

Dtmf Controlled Robot Using Arduino Complete Project With Circuit Diagram C Code.


Web the block diagram of the mt8870 dtmf decoder module showing the internal circuitry of the ic is as follows: Web features of mt8870 dtmf decoder module : Web mt8870 dtmf voice decoding calling module electrodragon wiki ctcss tone decoder encoder iw5edi simone ham radio encoders and decoders introduction working.

Web Results Page 31 About H Bridge Searching Circuits At Next Gr.


Web download scientific diagram | basic connections of mt8870 dtmf decoder from publication: Web mt8870 dtmf receiver decode logic circuit relay driver ringing detector reset logic disable logic to telephone exchange. Web the mt8870 based dtmf decoder module is commonly used to control robots with a mobile phone, it is also used in different kinds of home automation projects.

Web The Circuit Is Used To Decode The Mobile Phone Signal Transmitted Through The Mobile Set To Produce The Required Information Using 4 Bits.


Web mt8870 dtmf decoder module interface with arduino beat your bit. The output of the circuit (q1 to q4) are. The circuit is build using dtmf tone generator chip 91214b.