Dtmf Decoder Circuit Diagram Explanation

Dtmf Decoder Circuit Diagram Explanation. Web dtmf controlled home automation system circuit diagram: Before, i am going to explain the dtmf technology, complete.

DTMF_RECEIVER_DECODER Basic_Circuit Circuit Diagram
DTMF_RECEIVER_DECODER Basic_Circuit Circuit Diagram from www.seekic.com

Web dtmf controlled home automation system circuit diagram: Before, i am going to explain the dtmf technology, complete. Cm8870 dtmf decoder circuit diagram cm8870 dtmf decoder ic data sheet datasheet of dtmf 8870 dtmf 8870 cm8870 cm8870c cm88l70 cm88l70c.

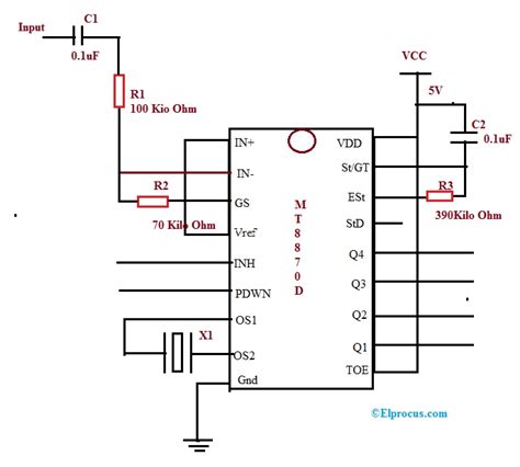
Web The Circuit Diagram For Decoding The Dtmf Tones Is Given In Fig.


Before, i am going to explain the dtmf technology, complete. Body area network based smart secure communication system for atm | this paper. The oscillator provides clock pulses for timing.

The Decoder Module Consists Of Crystal Oscillator, Input Connector, Module Connecting Headers, Mt8870 Decoder Ic And Output Leds.


Web in the decoder designed for the dtmf link project, a holtek ht9170b does the main job. Web home automation has revolutionized the way we ensure comfort and security in our homes, and now with the help of dtmf decoder circuit diagrams, living in a. Dtmf based home automation system using microcontroller circuit diagram.

The Circuit Of This Project Presented.


Web download scientific diagram | circuit diagram of dtmf decoder from publication: Cm8870 dtmf decoder circuit diagram cm8870 dtmf decoder ic data sheet datasheet of dtmf 8870 dtmf 8870 cm8870 cm8870c cm88l70 cm88l70c. Web the dtmf tone decoder is an integrated receiver for the band split filter and digital decoder functions.

Web Mt8870 Interfacing Diagram.


Mt8870 dtmf decoder module is available in either 18 pin plastic dip/soic or 20 pin ssop. Using the dtmf technology, it sends distinct representation of 12/16 common alphanumeric characters 0. It can be used to call upto nine different people.

Web Dtmf Controlled Home Automation System Circuit Diagram:


Web the calling system circuit can be used in quiz contests and by visually or hearing impaired people. It requires 4 digital i/o pins to be. The filter section employs switched capacitor techniques to trigger the high.