Dtmf Circuit Diagram Using Cm8870

Dtmf Circuit Diagram Using Cm8870. The filter section uses switched capacitor techniques for. Web dtmf decoder using mt8870.

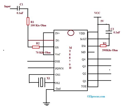
Cm8870 Dtmf Decoder Circuit Diagram Circuit Diagram
Cm8870 Dtmf Decoder Circuit Diagram Circuit Diagram from www.circuitdiagram.co

The filter section uses switched capacitor techniques for. Mt8870 dtmf audio decoder module open impulseopen impulse. Web in the below diagram, a simple interfacing example is shown where a generic microcontroller unit is shown.

Web In This Tutorial, We'll See About How To Make Dtmf(Dual Tone Multi Frequency) Decoder Using 8870 Ic & Demonstration.get Ckt Diagram, Codes From 𝗕𝗹𝗼𝗴 𝗼𝗿.


Pdf cm8870 datasheet cmos integrated dtmf receiver. A separate circuit is needed to detect a phone line ringing and to answer the call. Web the old cm8870 is a dtmf decoder.

Dtmf Decoder With Lcd Display.


But the circuit diagram mentiones the dtmf decoder ic as ht9170b. Hardware needs 18f452 main controller cm8870 dtmf decoder uart in pic. The filter section uses switched capacitor techniques for.

Dtmf Decoder Mt8870 Circuits4You Com.


Web download scientific diagram | 5 the block diagram of cm8870 [4] from publication: Web as mentioned earlier, the dtmf decoder ic used here is cm8870. Mt8870 dtmf audio decoder module open impulseopen impulse.

Web Dtmf Decoder Using Mt8870.


Web a cm8870 cmd functional description the cmd cm8870 dtmf integrated receiver ocr scan: Web in the below diagram, a simple interfacing example is shown where a generic microcontroller unit is shown. Web dtmf 8870 circuit explanation.

This Dtmf Receiver Minimizes External Component.


Wired robot control via mobile phone. Then the separate circuit places the cm8870 in. Web dtmf audio coupling all about circuits cs9370dgp dtmf decoder chip dual tone multi frequency original electroncomponents design with microcontrollers caller.