Digispark Circuit Diagram

Digispark Circuit Diagram. Web what is digispark? Pinout configuration of attiny85 microcontroller;

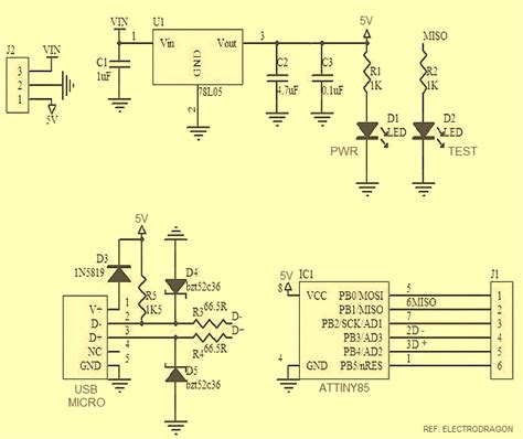
Abbildung A.2 Schaltplan der DigisparkPlatine von (2016
Abbildung A.2 Schaltplan der DigisparkPlatine von (2016 from www.researchgate.net

Web as the schematics below show, they are essentially the same: Flashing bootloader on attiny85 microcontroller using. You can use the pwm output signal (out) from the module to control the brightness of common dc lamps and the speed of small dc.

Flashing Bootloader On Attiny85 Microcontroller Using.


* note that the labeling of the pins for spi is. Web the power driver. The digispark programs with a different procedure.

Web Digispark Pro Pin Out Diagram:


You can use the pwm output signal (out) from the module to control the brightness of common dc lamps and the speed of small dc. Web published mar 05, 2021 0 hi! Web digispark pin usage guide.

Web The Digispark Works A Bit Differently Than Some Arduino Compatible Products.


Today i want to finish the arduino portion of the tutorials because i have already written even more than i expected initially. Web circuit diagram for attiny programmer. This table details the function of each pin on the digispark and any notes the are relevant.

Pinout Configuration Of Attiny85 Microcontroller;


You can use the pwm output signal (out) from the module to control the brightness of common dc lamps and the speed of small dc. With a whole host of. Web be aware that the power indicator led uses a fair bit of power, so it's worth disabling this if you need to be very careful, and in current versions of the digispark.

Web Circuit Diagram Of The Motion Detector Security Alarm Is Shown In Fig.


Web the digispark is an attiny85 based microcontroller development board similar to the arduino line, only cheaper, smaller, and a bit less powerful. Web the power driver. Web what is digispark?