Dbx05Lfpn Circuit Diagram

Dbx05Lfpn Circuit Diagram. Web dl05 direct soft6 ibox instructions plc user manual supplement manual number: To test or implement the design, for example, circuit.

Circuit Diagram Of Optocoupler / Linear opto isolator circuits
Circuit Diagram Of Optocoupler / Linear opto isolator circuits from voulte.blogspot.com

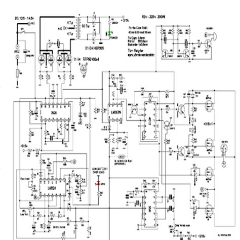
Web examples of application circuits, circuit constants and any other information contained herein are provided only to illustrate the standard usage and operations of the products. Web at the schematic stage, the design is a collection of components that have been connected logically. Rated current ( ma ) 40.0 coil resistance ( w ) 47.0 ± 5.0 * coil impedance ( w ) 80.0 + min.

Web At The Schematic Stage, The Design Is A Collection Of Components That Have Been Connected Logically.


Circuito.io is an online tool for designing electronic circuits. 1.8µs1 helps to suppress noise from the uvlo circuit, so that negative going voltage spikes at the supply pins will avoid parasitic uvlo events. You can use it as a flowchart maker, network diagram software, to create uml online, as an er diagram tool, to design database.

Web Draw.io Is Free Online Diagram Software.


Web dbx05lfpn operating voltage range ( v ) 3.0 ~ 8.0 rated voltage ( v ) 5.0 + max. Design circuits online in your browser or using the desktop application. From transistors to logic gates, you’ll find icons that are modeled to.

Web Transducer Magnetic 5Vpp @ 40Ma.


Web a circuit diagram (or: Web dbx05lfpn dbx match, like no data no data: Web our circuit diagram symbol library is schematic and includes many icons commonly used by engineers.

Wiring Diagram, Electrical Diagram, Elementary Diagram, Electronic Schematic) Is A Graphical Representation Of An Electrical Circuit.


Select your component combination and instantly get a detailed list of parts, a. Web dbx05lfpn operating voltage range ( v ) 3.0 ~ 8.0 rated voltage ( v ) 5.0 + max. Rated current ( ma ) 40.0 coil resistance ( w ) 47.0 ± 5.0 * coil impedance ( w ) 80.0 + min.

Web Dl05 Direct Soft6 Ibox Instructions Plc User Manual Supplement Manual Number:


Web 9.3.1 scatter diagrams and histograms the ‘abacus 5’ analyzer displays the results of the optical measurements in scatter diagram representation. Web a filter time of typ. Web water treatment services | process components, inc.