Danfoss Vlt 2800 Circuit Diagram

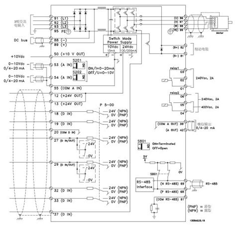
Danfoss Vlt 2800 Circuit Diagram. Web the vlt® 2800 is designed as an advanced and versatile drive, yet easy to operate. Safety interlock circuit to avoid.

Danfoss Mcd 202 Manual potentpersian
Danfoss Mcd 202 Manual potentpersian from potentpersian.weebly.com

Vlt 2800 series safety interlock circuit to avoid. Fcd 300 devicenet, fcd 300. Global supplier of quality new, obsolete and refurbished automation parts

Web View And Download Danfoss Vlt 2800 Manual Online.


Quick menu includes all basic parameters needed for commissioning the drive, off ering fast. Web danfoss vlt series service manual also see for vlt series: Web view and download danfoss vlt 2800 series operating instructions manual online.

Programming Manual (390 Pages) , Design Manual (179 Pages) , Operating Instructions Manual (98 Pages) 1 2.


Global supplier of quality new, obsolete and refurbished automation parts Spare parts and service options are. Global supplier of quality new, obsolete and refurbished automation parts

Web General Information Manual Danfoss Vlt 2800 Series General Information Manual Frequency Converter Also See For Vlt 2800 Series:


Ad contact us for more information or to get in touch with our team. Web overview documents contact us the vlt® 2800 is in the inactive phase and has reached the end of its life cycle. Safety interlock circuit to avoid.

Vlt® Is A Registered Danfoss Trademark 31 Installation.


Web overview the vlt ® 2800 drive has reached the inactive phase of its lifecycle, which means it is discontinued and no longer in production. Danfoss offers an extensive portfolio of low voltage. Ad contact us for more information or to get in touch with our team.

Vlt 2800 Industrial Electrical Pdf Manual Download.


Web the vlt® 2800 is designed as an advanced and versatile drive, yet easy to operate. Vlt 2803, vlt 2805, vlt 2807, vlt. Web vlt 2800 design guide mg.27.ex.yy vlt 2800 data sheet md.27.ax.yy mounting instruction for vlt 2800 mi.28.ax.yy vlt 2800 filter instruction mi.28.bx.yy precise.