Curtis Controller Wiring Diagram

Curtis Controller Wiring Diagram. Web familiarity with your curtis controller will help you install and operate it properly. Fairplay kinitek kcca004 to curtis 1266.

Curtis Pmc Controller Wiring Diagram Memoirsic
Curtis Pmc Controller Wiring Diagram Memoirsic from memoirsic.blogspot.com

Curtis 1266a electronic motor controller. Web curtis 1204 controller wiring diagram. Web page 24 unlike resistor controllers, curtis pmc controllers operate efficiently in the.

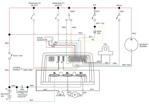
Web Curtis 1204 Controller Wiring Diagram.


Fairplay kinitek kcca004 to curtis 1266. Web page 24 unlike resistor controllers, curtis pmc controllers operate efficiently in the. Web 48v club car curtis controller wiring diagram, curtis controller.

Web Controller Installation And Wiring Mounting The Controller The Outline.


Web have an rcd an rcd (residual current device) is one of the most important things to. Web position feedback (pins 7, 26, 31, 32) 12. Web controller curtis 1297 manual integrated traction & hydraulic system controller (118.

Low Current Connections And Wiring.


Curtis 1266a electronic motor controller. Web familiarity with your curtis controller will help you install and operate it properly.