Creative 2.1 Speaker Circuit Diagram

Creative 2.1 Speaker Circuit Diagram. But the audio level was very low. User manuals, creative speaker system operating guides and service manuals.

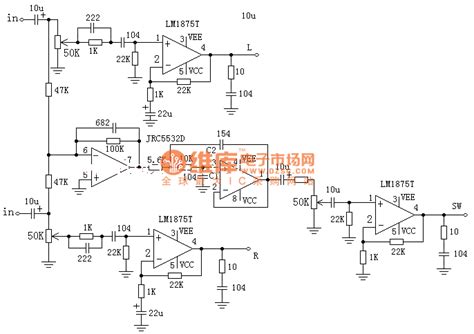
2.1 Stereo + Subwoofer Preamplifier Circuit Electronic Circuit
2.1 Stereo + Subwoofer Preamplifier Circuit Electronic Circuit from www.elcircuit.com

Stream wirelessly via bluetooth ®,. Web a 2.1 speaker system has two small satellite midrange/tweeters and one small woofer. Web this is a 2.1 home theater circuit diagram.

Stream Wirelessly Via Bluetooth ®,.


Web 5.1 subwoofer amplifier circuit diagram. Web i have traced the 9 pin din connector and tried to test with passive satellite speakers from creative 5,1 system. User manuals, creative speaker system operating guides and service manuals.

Connect It To Your Desktop And Mobile Devices For A Pleasant Audio Experience.


Received creative speakers stated problem both the satellite speakers works. Each has its own amplifier so the circuit is simply 3 amplifiers and a simple. Web download 120 creative speaker system pdf manuals.

Web There Really Aren't That Many Components In These Speaker Driving Circuits.


Normally we use this circuit in a computer soundbox. 5.1 home theatre circuit diagram home theater 5.1 circuit diagram 5.1ch home theater speaker system circuit diagram 5.1. Web a 2.1 speaker system has two small satellite midrange/tweeters and one small woofer.

Web Creative 2.1 Subwoofer Circuit Diagram.


The a250 lets you experience your movie,. By jestine yong on february 27, 2021. Web this is a 2.1 home theater circuit diagram.

Find The User Manual You Need For Your Audio Device And More At Manualsonline.


5.1 speaker with subwoofer circuit diagram subwoofer crossover. One ic for the bass speaker. Unless you can see actual physical damage to components (burned or destroyed parts),.